产品展示
一家通风环境改善解决方案服务商,大气污染治理(油烟净化,酸雾处理,除尘除臭,黑烟处理,有机废气处理)环保净化服务方案服务商
一家通风环境改善解决方案服务商,大气污染治理(油烟净化,酸雾处理,除尘除臭,黑烟处理,有机废气处理)环保净化服务方案服务商
| 型号(No.) | 功率(KW) | 转速(r/min) | 流量(m3/h) | 压力(Pa) |
| 3A | 1.5 | 2900 | 1036-3546 | 1866-415 |
| 0.75 | 1450 | 518-2099 | 477-103 | |
| 4A | 3 | 2900 | 5184-8399 | 2073-1244 |
| 1.5 | 1450 | 2592-4199 | 528-311 | |
| 5A | 7.5 | 2900 | 9332-14932 | 2488-1327 |
| 2.2 | 1450 | 4666-7466 | 622-331 | |
| 6A | 5.5 | 1450 | 7984-15360 | 1478-730 |
| 4 | 1450 | 7258-13999 | 1036-466 | |
| 7A | 11 | 1450 | 11408-23850 | 1659-829 |
| 7.5 | 1450 | 8814-18147 | 1244-622 | |
| 8A | 15 | 1400 | 14800-28600 | 1960-1310 |
| 5.5 | 960 | 13688-21800 | 1711-985 |

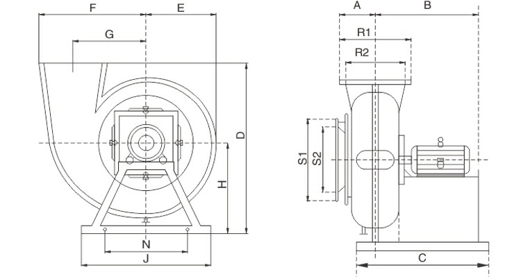
| 机号 | 入风口 | 出风口 | 机架尺寸 | 90°向本体尺寸 | |||||||||||
| NO | S1 | S2 | R1 | R2 | J | N | K | A | B | C | D | E | F | G | H |
| 3C | 343 | 243 | 330 | 243 | 900 | 700 | 520 | 120 | 510 | 320 | 780 | 250 | 387 | 222 | 480 |
| 4C | 400 | 300 | 427 | 340 | 953 | 783 | 515 | 215 | 573 | 440 | 942 | 320 | 500 | 330 | 565 |
| 5C | 500 | 400 | 505 | 405 | 953 | 783 | 513 | 215 | 585 | 520 | 1117 | 320 | 500 | 330 | 645 |
| 6C | 615 | 500 | 655 | 530 | 1198 | 905 | 687 | 265 | 756 | 685 | 1342 | 492 | 785 | 482 | 730 |
| 7C | 720 | 600 | 725 | 605 | 1347 | 1145 | 765 | 360 | 868 | 697 | 1448 | 572 | 843 | 540 | 815 |
| 8C | 860 | 720 | 830 | 735 | 1400 | 1197 | 775 | 420 | 930 | 838 | 1685 | 970 | 1065 | 645 | 950 |
| 10C | 1045 | 900 | 1000 | 885 | 1800 | 1503 | 1455 | 512 | 1127 | 990 | 2047 | 818 | 1215 | 703 | 1110 |
| 12C | 1200 | 1080 | 1220 | 1100 | 2400 | 2100 | 1410 | 610 | 1137 | 1140 | 2372 | 968 | 1365 | 762 | 1255 |
